منتجات
منزل، بيت منتجات

لماذا يفضل المهندسون سلسلة JST BVR لمقاعد صمامات الكرة؟

لماذا يفضل المهندسون سلسلة JST BVR لمقاعد صمامات الكرة؟

  • December 30. 2025

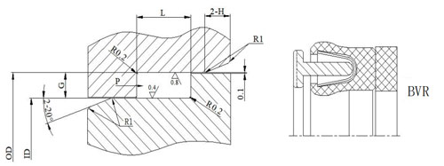
عندما يتعلق الأمر بختم شعاعي أحادي الاتجاه لمقعد صمام الكرة، يفضل عملاؤنا دائمًا اختيار نمط JST "BVR"، ولكن لماذا؟

يكمن السر في تصميمها الأمثل لإحكام الإغلاق ونظام التنشيط بالضغط. تتكون سلسلة BVR من زنبرك تسوية مائل وغلاف بوليمري، يُستخدم بشكل أساسي كـ ختم الساق تحت الضغط، يتم تنشيط حافة الختم وضغطها بإحكام على مقعد الصمام، مما يضمن إحكامًا ممتازًا حتى عند مستويات الضغط العالية.

مع اختيار المواد المناسبة - مثل مركبات PTFE أو البوليمرات المملوءة - يعمل مانع التسرب بشكل موثوق تحت الضغط العالي وتقلبات درجة الحرارة والوسائط العدوانية الموجودة عادة في النفط والغاز ، والتطبيقات الكيميائية والصناعية.

وأخيرًا، يُقدّر العملاء سهولة التركيب وثبات الأداء. صُمّم صمام "BVR" من نوع JST ليناسب بدقة، مما يقلل من أخطاء التركيب ويضمن نتائج إحكام متكررة عبر مختلف أحجام الصمامات وظروف التشغيل.

فيما يلي توصيات فنية لأبعاد الأخاديد.

ظروف العمل

القطر الداخلي (مم)

G(مم)

القطر الخارجي (مم)

L +0.2 /(مم)

الحد الأدنى للحجم H (مم)

10000 رطل لكل بوصة مربعة

-60~180 درجة مئوية

7~15

2.4

9.5

9.5

3.4

15~30

3.1

10

10

5.0

30~90

4.7

12.5

12.5

6

90~600

6.1

16

16

7

600~1200

9.5

28

28

9.5

© حقوق النشر: 2026 Guangzhou JST Seals Technology Co., Ltd. كل الحقوق محفوظة.

粤ICP备12032262号 دعم شبكة IPv6

دعم شبكة IPv6

أعلى

ترك رسالة

ترك رسالة

    إذا كنت مهتمًا بمنتجاتنا وترغب في معرفة المزيد من التفاصيل ، فالرجاء ترك رسالة هنا ، وسنرد عليك في أقرب وقت ممكن.

  • #
  • #
  • #